


Charakterystyka stacji bramowej wieloabonentowej - DR6UM - Commax
Stacja bramowa wieloabonentowa, cześcioprzyciskowa, metalowa:
- montaż podtynkowy
- współpracuje ze stacją domową DP-SS
- kolor panela: srebrny
- zaleca się stosowanie osłony OS-6n lub OS-6p
Montaż stacji bramowej:
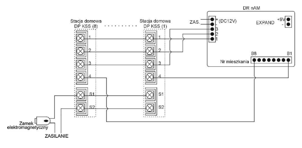
Schemat podłączenia DR 6UM:
Wymiary
Wymiary puszki podtynkowej: 210 x 110 x 60 mm
Wymiary puszki nadtynkowej: 230 x 125 x 17 mm