 
                                                     
         
        Charakterystyka kamery 3 - przyciskowej - DRC 3UC - Commax
 - metalowa kamera motowana podtynkowo
- standard sygnału video: PAL 
- doświetlenie optyki diodami światła białego 
- kamera z serii "Blue Crystal" 
- zasilanie: 12VDC 
- kąt widzenia w pionie: 55 stopni , w poziomie: 68 stopni 
- pełna regulacja ustawienia kąta widzenia (pion - poziom: 12 stopni) 
- współpracuje z monitorami analogowymi w systemie 4-żyłowym (czarno-białymi lub kolor w standardzie PAL)
- sterowanie elektrozaczepem poprzez styk NO 
 Wygląd zewnętrzny kamery:
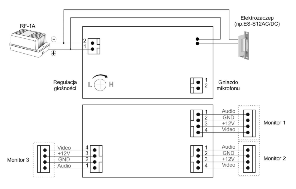
Przykład podłączenia kamery:
Wymiary
 Wymiary panela nadtynkowego: 130 x 248 x 10 mm
Wymiary puszki podtynkowej: 121 x 238 x 37 mm
 
                         
                    
