



Charakterystyka produktu
1122/31 - Zestaw domofonowy, 2 przewodowy - Miwi-Urmet
- Maksymalna odległość między panelem a unifonem: 100m
- Zasilanie: ~12V AC
- Klasa odporności: IP44
- System 1+n
- Ilość użytkowników: 1
- Ilość przycisków: 2 na unifonie, 1 na panelu
- Montaż natynkowy (opcjonalnie podtynkowy)
- Temp pracy: -10°C ÷ 50°C
Opis produktu
Zestaw domofonowy 1122/31 firmy Miwi-Urmet jest to zestaw 2-żyłowy dla jednego użytkownika. Zawiera panel MIKRA oraz unifon UTOPIA 1134. Unifon posiada możliwość całkowitego wyciszenia oraz regulację sygnału wywołania. Oprócz przycisku do otwarcia elektro-zaczepu, unifon wyposażony jest także w dodatkowy przycisk. Dzięki niemu możliwe jest sterowanie przekaźnikiem w panelu (np. do automatyki bramowej). Za pomocą zworek można ustawić jeden z dwóch sygnałów wywołania.
Wymiary
Wymiar etykiety: 26 x 56 mm (wys. x szer.)
Wymiar panela: 185 x 99 x 20 mm (wys. x szer. x gł.)
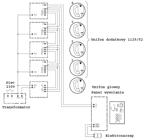
Schemat połączeniowy
Załączniki